欢迎您访问:上海苏阁阀门制造有限公司我们将竭诚为您服务! 全国统一服务热线:400-998-8674
  网站首页 公司简介 产品展示 新闻资讯 售后服务 产品应用 客户反馈 联系我们  
     
     
    空调暖通阀
     
    水力控制阀
     
    闸阀系列
     
    止回阀系列
     
    水锤流量计
     
    蝶阀系列
     
    丝口铜阀门系列
     
    截止阀系列
     
    球阀系列
     
    燃气阀系列
     
    电站阀门系列
     
    调节阀系列
     
    刀闸阀系列
     
    冶金阀门系列
     
    衬氟阀门系列
     
    气动阀门系列
     
    电动阀门系列
     
    其他系列
     
     
     
     
    电动法兰蝶阀
    您现在的位置:上海苏阁阀门 > 查看详细
     
    点击看大图
    名称:电动法兰蝶阀
    ·详细描述

     

    产品用途

    电动三偏心多层次硬密封蝶阀广泛地应用到冶金、电力、石油、化工、空气、煤气、可燃气体以及给排水等腐蚀性介质的管道上。


    标准规范

    设计制造标准:GB/T 12238-2008

    结构长度标准:GB/T 12221-2005

    连接法兰标准:GB/T 9113

    压力温度等级:GB/T 12224-2005

    试验检验标准:GB/T 13927-2008


    结构特点

    1、硬密封蝶阀采用三偏心硬密封结构,阀座与蝶板几乎无磨损,具有越观越紧的密封功能。

    2、密封圈选用不锈钢制作,具有金属硬密封和弹性密封的双重优点,无论在低温和高温的情况下,均具有优良的密封性能,具有耐腐蚀,使用寿命长等特点。

    3、蝶板密封面采用堆焊钴基硬质合金,密封面耐磨损,使用寿命长。

    4、大规格蝶板采用绗架结构,强度高,过流面积大,流阻小。

    5、根据用户需求,阀门供应网的硬密封蝶阀可以设计成具有双向密封功能,安装时不受介质流向的限制,也不受空间位置的影响,可在任何方向安装。

    6、驱动装置可以多工位(旋转90°或180°)安装,便于用户使用。


    主要性能规范

    公称通径

    DN(mm)

    50-4000

    公称压力

    PN(MPa)

    1.0

    1.6

    2.5

    试验压力

    强度试验

    1.5

    2.4

    3.75

    密封试验

    1.1

    1.76

    2.75

    气密封试验

    0.6

    0.6

    0.6


    产品零部件材料

    型号

    D943H-16

    D943W-16P

    D943W-16R

    工作压力(MPa)

    1.6

    适用温度(℃)

    ≤425

    ≤200

    适用介质

    水、油或非腐蚀性介质

    硝酸类介质

    醋酸类介质

    材料

    阀体、蝶板

    WCB

    CF8/304

    CF3M/316L

    阀杆

    2Cr13

    304

    316L

    阀体密封面

    堆焊 507

    蝶板密封面

    304+柔性石墨

    304+PTFE

    304+PTFE

    填料

    柔性石墨

    PTFE

    PTFE


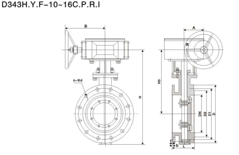
    主要外形和连接尺寸

    PN

    DN

    L

    D

    D1

    D2

    Z-d

    b

    f

    H

    H0

    1.0

    50

    108

    165

    125

    99

    4-18

    20

    2

    170

    130

    1.0

    65

    112

    185

    145

    118

    4-18

    20

    2

    170

    145

    1.0

    80

    114

    200

    160

    132

    8-18

    20

    2

    230

    152

    1.0

    100

    127

    220

    180

    156

    8-18

    22

    2

    320

    192

    1.0

    125

    140

    250

    210

    184

    8-18

    22

    2

    345

    200

    1.0

    150

    140

    285

    240

    211

    8-22

    24

    2

    385

    230

    1.0

    200

    152

    340

    295

    266

    8-22

    24

    2

    471

    297

    1.0

    250

    165

    405

    355

    319

    12-22

    26

    2

    533

    327

    1.0

    300

    178

    445

    400

    370

    12-22

    26

    2

    606

    364

    1.0

    350

    190

    505

    460

    429

    16-22

    26

    2

    694

    404

    1.0

    400

    216

    565

    515

    480

    16-26

    26

    2

    757

    444

    1.0

    450

    222

    615

    565

    530

    20-26

    28

    2

    814

    472

    1.0

    500

    229

    670

    620

    582

    20-26

    28

    2

    902

    522

    1.0

    600

    267

    780

    725

    682

    20-30

    34

    2

    1048

    590

    1.0

    700

    292

    895

    840

    794

    24-30

    34

    5

    1277

    810

    1.0

    800

    318

    1015

    950

    901

    24-33

    36

    5

    1385

    844

    1.0

    900

    330

    1115

    1050

    1001

    28-33

    38

    5

    1490

    890

    1.0

    1000

    410

    1230

    1160

    1112

    28-36

    38

    5

    1620

    950

    1.6

    50

    108

    165

    125

    99

    4-18

    20

    2

    170

    130

    1.6

    65

    112

    185

    145

    118

    4-18

    20

    2

    170

    145

    1.6

    80

    114

    200

    160

    132

    8-18

    20

    2

    230

    152

    1.6

    100

    127

    220

    180

    156

    8-18

    22

    2

    320

    192

    1.6

    125

    140

    250

    210

    184

    8-18

    22

    2

    345

    200

    1.6

    150

    140

    285

    240

    211

    8-22

    24

    2

    385

    230

    1.6

    200

    152

    340

    295

    266

    12-22

    24

    2

    471

    297

    1.6

    250

    165

    405

    355

    319

    12-26

    26

    2

    533

    327

    1.6

    300

    178

    460

    410

    370

    12-26

    28

    2

    606

    364

    1.6

    350

    190

    520

    470

    429

    16-26

    30

    2

    694

    404

    1.6

    400

    216

    580

    525

    480

    16-30

    32

    2

    757

    444

    1.6

    450

    222

    640

    585

    548

    20-30

    40

    2

    814

    472

    1.6

    500

    229

    715

    650

    609

    20-33

    44

    2

    902

    522

    1.6

    600

    267

    840

    770

    720

    20-36

    54

    2

    1048

    590

    1.6

    700

    292

    910

    840

    794

    24-36

    40

    5

    1277

    810

    1.6

    800

    318

    1025

    950

    901

    24-39

    42

    5

    1385

    844

    1.6

    900

    330

    1125

    1050

    1001

    28-39

    44

    5

    1490

    890

    1.6

    1000

    410

    1225

    1170

    1112

    28-42

    46

    5

    1620

    950

    2.5

    50

    108

    165

    125

    99

    4-18

    20

    2

    170

    130

    2.5

    65

    112

    185

    145

    118

    8-18

    22

    2

    265

    210

    2.5

    80

    114

    200

    160

    132

    8-18

    24

    2

    310

    233

    2.5

    100

    127

    235

    190

    156

    8-22

    24

    2

    343

    242

    2.5

    125

    140

    270

    220

    184

    8-26

    26

    2

    385

    254

    2.5

    150

    140

    300

    250

    211

    8-26

    28

    2

    445

    580

    2.5

    200

    152

    360

    310

    274

    12-26

    30

    2

    510

    297

    2.5

    250

    165

    425

    370

    330

    12-30

    32

    2

    569

    339

    2.5

    300

    178

    485

    430

    389

    16-30

    34

    2

    653

    375

    2.5

    350

    190

    555

    490

    448

    16-33

    38

    2

    730

    420

    2.5

    400

    216

    620

    550

    503

    16-36

    40

    2

    810

    463

    2.5

    450

    222

    670

    600

    548

    20-36

    46

    2

    850

    495

    2.5

    500

    229

    730

    660

    609

    20-36

    48

    2

    940

    566

    2.5

    600

    267

    845

    770

    720

    20-39

    58

    2

    1150

    630

    2.5

    700

    292

    960

    875

    820

    24-42

    58

    5

    1195

    727

    2.5

    800

    318

    1085

    990

    609

    24-36

    58

    5

    1268

    810


    结构图片


     
     
     
     
    全国统一服务热线:400-998-8674
    Copyright(C)  上海苏阁阀门制造有限公司  版权所有   网站地图  xml
    联系人:谢经理  电话:13788837770  网址:http://www.sugevalve.com  地址:上海市奉贤区海坤路1号1幢
    律师声明:本网站版式设计及所有图片一律不得转载,违者必究  备案/许可证编号为:沪ICP备2021026057号